АДМ 100L4-МО5 электродвигатели для привода буровых станков НКР-100М

Скачать PDF

Тип: Переменного тока асинхронный

Номинальная мощность: 4,00 кВт

Номинальная частота вращения: 1500 об/мин

Цена (без учета НДС): По запросу руб.

Описание

Промышленные электродвигатели АДМ 100L4-МО5 применяются для привода буровых станков НКР-100М. Выпускаются в  конструктивном исполнении: станина алюминиевая, щиты чугунные или стальные.

Номинальный режим работы двигателей повторно-кратковременный S3 ПВ 40%, но допускается работа в режиме S1. При этом мощность его снижается до 3,0 кВт.
Класс изоляции F.
По требованию заказчика может быть снабжён датчиками температурной защиты.
Производятся серийно по ТУ 3322-008-05758017-2003.

Технические характеристики

Номинальный режим работы S1 - Продолжительный номинальный режим, S3 - Повторно-кратковременный номинальный режим
Число полюсов 4
Коэффициент полезного действия (КПД) 82%
Коэффициент мощности cos φ 0,82
Номинальный ток (Iном) 9,04 А
Номинальный момент (Мном) 2,72 кГм
Отношение пускового тока к номинальному току (Iпуск/Iном) 6,5
Отношение пускового момента к номинальному моменту (Мпуск/Мном) 2,5
Отношение максимального момента к номинальному моменту (Мmax/Мном) 3,0
Скольжение (S) 4,5%
Климатическое исполнение O5
Исполнение по степени защиты IP55
Монтажное исполнение IM3081
Высота оси вращения 100
Вес 9,0 кг

Структура обозначения, пример заказа

АДМ
100
L
4
М
О
5

Категория размещения по ГОСТ 15150

Климатическое исполнение

Для буровых станков

Число полюсов

Установочный размер по длине станины

Высота оси вращения

Серия

Стандартный комплект поставки

  • Электродвигатель АДМ 100L4-МО5 для привода буровых станков НКР-100М.
  • Паспорт.

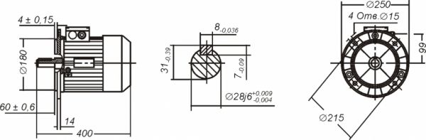
Габаритный чертеж электродвигателя АДМ 100L4-МО5

АДМ 100L4-МО5 электродвигатели для привода буровых станков НКР-100М

© ТД-ЭЛЕКТРОПРИВОД.РУ – промышленные электродвигатели, 2026. Асинхронные, синхронные электродвигатели, низковольтные и высоковольтные двигатели, преобразователи для двигателей.

WebCanape - быстрое создание сайтов и продвижение

Яндекс.Метрика
Вы выделили текст на сайте td-electroprivod.ru