Смартреле-РПП-2М реле повторного пуска

Скачать PDF

Цена (без учета НДС): По запросу руб.

Описание

Реле повторного пуска Смартреле-РПП-2М предназначено для автоматического включения (повторного пуска) низковольтных (0,4 КВ) асинхронных электродвигателей после их отключения, вызванного снижением напряжения питающей сети или полным отключением напряжения (перерывом электроснабжения).

Реле Смартреле-РПП-2М регистрирует информацию о количестве аварийных отключений, а также нормальных отключений электродвигателя кнопкой «СТОП». Максимальное число регистрируемых отключений — 255.

Смартреле-РПП-2М не выдает команды на повторный пуск, если двигатель отключен кнопкой «СТОП».

Реле регистрирует дату и время до восьми последних по времени аварийных отключений и повторных пусков электродвигателя.

Питание реле осуществляется от сети переменного тока напряжением в диапазоне от 180 до 250 В частоты 50±2 Гц.

Реле изготовлено в исполнении УХЛ категории 3 и предназначено для работы при температуре окружающей среды от -40 до +40°C при относительной влажности до 95%.

Реле предназначено для работы совместно с пультом управления ПУ-04М, который входит в комплект поставки по требованию заказчика. Один пульт может обслуживать любое количество реле.

 

 

Рис. 1. Внешний вид Смартреле-РПП-2М

 

 

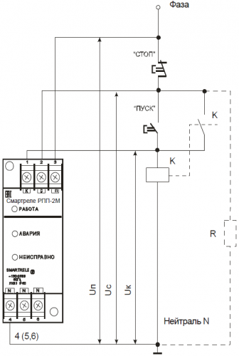
Рис. 2. Схема подключения Смартреле-РПП-2М к аппарату управления электродвигателем

 

 

Рис. 3. Внешний пульта управления Смартреле-РПП-2М

 

Технические характеристики

Потребляемая мощность Не более 1 Вт
Климатическое исполнение УХЛ3
Установочные размеры, габаритные размеры См. чертеж
Вес Не более 100 г

Стандартный комплект поставки

  • Смартреле-РПП-2М — 1 шт.
  • Пульт управления ПУ-04М — 1 шт.
  • Паспорт ЮИПН 41711.074 ПС — 1 экз.

Скачать документацию

Смартреле-РПП-2М реле повторного пуска. Паспорт. ЮИПН 411711.074 ПС

 

Чтобы правильно подобрать Смартреле-РПП-2М, узнать стоимость реле повторного пуска Смартреле-РПП-2М, купить Смартреле-РПП-2М, вам достаточно позвонить по телефону +7(4812)209-311 или написать по электронной почте info@td-electroprivod.ru.

© ТД-ЭЛЕКТРОПРИВОД.РУ – промышленные электродвигатели, 2026. Асинхронные, синхронные электродвигатели, низковольтные и высоковольтные двигатели, преобразователи для двигателей.

WebCanape - быстрое создание сайтов и продвижение

Яндекс.Метрика
Вы выделили текст на сайте td-electroprivod.ru